Ридан 087H3805R — Контроллер ECL-3R 331 FC, напряжение питания 24V AC/DC
Заявка на покупку или консультацию
×
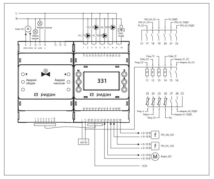
Программируемые электронные регуляторы серии ECL3R разработаны для автоматизации систем централизованного теплоснабжения. ECL-3R 331 FC представляет собой конфигурируемый контроллер с широкими возможностями для автоматизации погодозависимой системы отопления (СО) в паре с системой подпитки.
Настройка и просмотр текущих значений параметров осуществляются через дисплей контроллера при помощи 6-кнопочной клавиатуры. ECL-3R 331 FC оснащен двумя портами RS-485, которые могут быть использованы для подключения к контроллеру визуальной панели оператора или для интеграции контроллера в систему диспетчеризации по протоколу Modbus RTU. Неиспользуемые в выбранной конфигурации входы/выходы контроллера могут быть задействованы для мониторинга сигналов разного типа (температура, давление, аналоговые датчики обратной связи, цифровые входы).
В комплект поставки ECL-3R 331 FC входит модуль расширения с твердотельными реле ECL-3R Triac, подключаемый к транзисторным выходам контроллера через прилагаемый кабель.
ECL-3R 331 FC выполняет следующие функции:
- управление одним контуром системы отопления (СО), оснащенным (на выбор) импульсным или аналоговым (0–10 В) приводом регулирующего клапана;
- управление СО погодозависимое, с расширенными возможностями настройки отопительного графика;
- возможность использования для группы контроллеров семейства ECL-3R одного датчика температуры наружного воздуха с обменом показаниями датчика между контроллерами по цифровой шине;
- управление системой подпитки СО;
- поддержка большого количества преднастроенных датчиков СО и теплосети на вводе;
- несколько режимов работы СО: экономный, комфортный, по расписанию, аварийный;
- функция «летняя остановка»;
- возможность приоритизации температуры теплоносителя, возвращаемого в тепловую сеть, перед температурой в контуре отопления;
- возможность ограничения температуры в системе отопления по температуре в подающем трубопроводе тепловой сети;
- возможность управления циркуляционными насосами от преобразователей частоты (0–10 В) с регулированием по давлению или перепаду давления;
- различные варианты настройки датчиков перепада давления на циркуляционных насосах;
- автоматическое выравнивание наработок циркуляционных насосов;
- тренировка циркуляционных насосов в летний период;
- мониторинг и индикация наличия аварий;
- сценарии аварийной отработки обрыва датчиков температуры подачи и давления;
- возможность гибкой настройки свободных входов контроллера для локального и удаленного мониторинга;
- ручной режим управления оборудованием через интерфейс контроллера;
- поддержка сервиса Cloud Control.
Документация
Паспорт
Руководство
Сертификат
Инструкция
Ридан 148H3362R — Корпус регулятора температуры масла ORV DN 80, PN 52, присоединение к трубопроводу — под сварку встык DIN103 287,80 ₽
Ридан 141R8621 — Компрессор спиральный RCM51E4LB7CA, индивидуальная упаковка, хладагент R404A, номинальное напряжение 380-420 В / 3 фазы / 50 Гц & 460 В /3 фазы / 60 Гц92 522,39 ₽
Ридан BVR-CR 065B8302RG — Кран шаровой ГОСТ59553-2021 c наружной резьбой и насадкой под шланг PN10 DN25; Т -20 ℃ ...+95 ℃; материал корпуса латунь4 608,05 ₽


















